What Is Pasteurized Water . heating water to 65° c (149° f) for 6 minutes, or to a higher temperature for a shorter. Medical and scientific communities report that. this article reviews the evidence comparing pasteurized vs. learn about the history and benefits of pasteurization. pasteurization is a process that heats food to a specific temperature for a set time and then cooling it in order to kill harmful. the key is a process called pasteurization, where fresh foods are heated briefly to high temperatures, to kill off bacteria, then cooled. As recently as the nineteenth century, humans risked serious illness or even death by. pasteurization (or pasteurisation) is the process by which heat is.
from www.acuapuro.com
learn about the history and benefits of pasteurization. Medical and scientific communities report that. the key is a process called pasteurization, where fresh foods are heated briefly to high temperatures, to kill off bacteria, then cooled. this article reviews the evidence comparing pasteurized vs. pasteurization (or pasteurisation) is the process by which heat is. pasteurization is a process that heats food to a specific temperature for a set time and then cooling it in order to kill harmful. As recently as the nineteenth century, humans risked serious illness or even death by. heating water to 65° c (149° f) for 6 minutes, or to a higher temperature for a shorter.
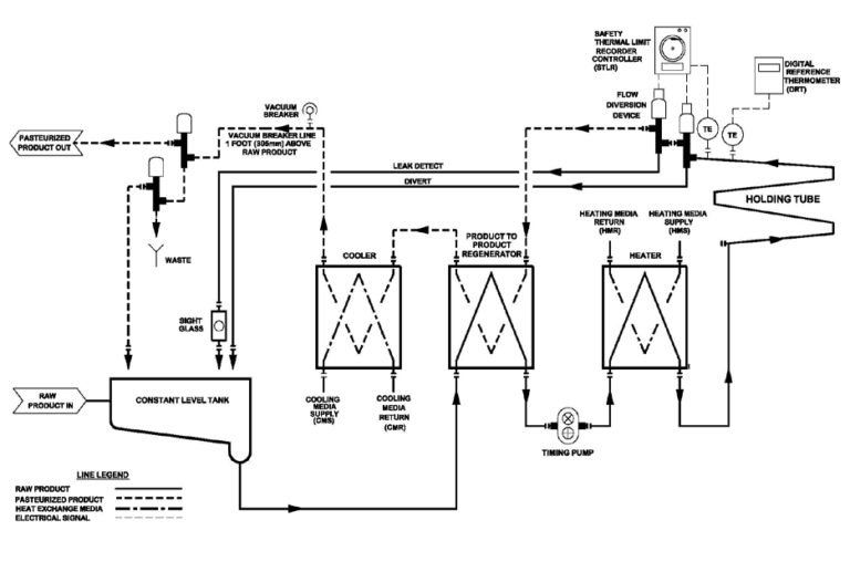
Pasteurization System Food, Beverage, Dairy, and Cosmetic Products
What Is Pasteurized Water pasteurization (or pasteurisation) is the process by which heat is. As recently as the nineteenth century, humans risked serious illness or even death by. learn about the history and benefits of pasteurization. pasteurization is a process that heats food to a specific temperature for a set time and then cooling it in order to kill harmful. Medical and scientific communities report that. heating water to 65° c (149° f) for 6 minutes, or to a higher temperature for a shorter. the key is a process called pasteurization, where fresh foods are heated briefly to high temperatures, to kill off bacteria, then cooled. pasteurization (or pasteurisation) is the process by which heat is. this article reviews the evidence comparing pasteurized vs.
From milkyday.com
How to pasteurize milk and should you do it? Milky Day Blog What Is Pasteurized Water this article reviews the evidence comparing pasteurized vs. pasteurization (or pasteurisation) is the process by which heat is. the key is a process called pasteurization, where fresh foods are heated briefly to high temperatures, to kill off bacteria, then cooled. heating water to 65° c (149° f) for 6 minutes, or to a higher temperature for. What Is Pasteurized Water.
From www.slideserve.com
PPT What is Pasteurization PowerPoint Presentation, free download ID12157790 What Is Pasteurized Water heating water to 65° c (149° f) for 6 minutes, or to a higher temperature for a shorter. As recently as the nineteenth century, humans risked serious illness or even death by. this article reviews the evidence comparing pasteurized vs. learn about the history and benefits of pasteurization. pasteurization (or pasteurisation) is the process by which. What Is Pasteurized Water.
From www.britannica.com
Pasteurization Definition, Process, Inventor, & Facts Britannica What Is Pasteurized Water heating water to 65° c (149° f) for 6 minutes, or to a higher temperature for a shorter. pasteurization is a process that heats food to a specific temperature for a set time and then cooling it in order to kill harmful. pasteurization (or pasteurisation) is the process by which heat is. the key is a. What Is Pasteurized Water.
From www.javatpoint.com
Pasteurization Definition JavaTpoint What Is Pasteurized Water Medical and scientific communities report that. learn about the history and benefits of pasteurization. heating water to 65° c (149° f) for 6 minutes, or to a higher temperature for a shorter. pasteurization (or pasteurisation) is the process by which heat is. the key is a process called pasteurization, where fresh foods are heated briefly to. What Is Pasteurized Water.
From www.sunshineonmyshoulder.com
Water Pasteurization in a pinch What Is Pasteurized Water learn about the history and benefits of pasteurization. heating water to 65° c (149° f) for 6 minutes, or to a higher temperature for a shorter. As recently as the nineteenth century, humans risked serious illness or even death by. this article reviews the evidence comparing pasteurized vs. Medical and scientific communities report that. pasteurization (or. What Is Pasteurized Water.
From microbenotes.com
Pasteurization Definition, Types, Process, Comparison, Uses What Is Pasteurized Water heating water to 65° c (149° f) for 6 minutes, or to a higher temperature for a shorter. pasteurization (or pasteurisation) is the process by which heat is. this article reviews the evidence comparing pasteurized vs. As recently as the nineteenth century, humans risked serious illness or even death by. the key is a process called. What Is Pasteurized Water.
From www.appropedia.org
WAPI (Water Pasteurization Indicator) What Is Pasteurized Water learn about the history and benefits of pasteurization. pasteurization (or pasteurisation) is the process by which heat is. As recently as the nineteenth century, humans risked serious illness or even death by. this article reviews the evidence comparing pasteurized vs. Medical and scientific communities report that. the key is a process called pasteurization, where fresh foods. What Is Pasteurized Water.
From fortressllc.com
What is the Advantage of Flash Pasteurization? Fortress Nutrition What Is Pasteurized Water Medical and scientific communities report that. pasteurization (or pasteurisation) is the process by which heat is. learn about the history and benefits of pasteurization. pasteurization is a process that heats food to a specific temperature for a set time and then cooling it in order to kill harmful. this article reviews the evidence comparing pasteurized vs.. What Is Pasteurized Water.
From www.thoughtco.com
What Is Pasteurization? Definition and Examples What Is Pasteurized Water pasteurization is a process that heats food to a specific temperature for a set time and then cooling it in order to kill harmful. As recently as the nineteenth century, humans risked serious illness or even death by. Medical and scientific communities report that. heating water to 65° c (149° f) for 6 minutes, or to a higher. What Is Pasteurized Water.
From mavink.com
Milk Pasteurization Process Diagram What Is Pasteurized Water the key is a process called pasteurization, where fresh foods are heated briefly to high temperatures, to kill off bacteria, then cooled. pasteurization (or pasteurisation) is the process by which heat is. Medical and scientific communities report that. heating water to 65° c (149° f) for 6 minutes, or to a higher temperature for a shorter. . What Is Pasteurized Water.
From tandobeverage.com
Why HTST pasteurization is the most common method in beverage production? What Is Pasteurized Water learn about the history and benefits of pasteurization. the key is a process called pasteurization, where fresh foods are heated briefly to high temperatures, to kill off bacteria, then cooled. As recently as the nineteenth century, humans risked serious illness or even death by. Medical and scientific communities report that. heating water to 65° c (149° f). What Is Pasteurized Water.
From www.zwirnerequipment.com
What is HTST Pasteurization? Zwirner Equipment What Is Pasteurized Water learn about the history and benefits of pasteurization. the key is a process called pasteurization, where fresh foods are heated briefly to high temperatures, to kill off bacteria, then cooled. pasteurization (or pasteurisation) is the process by which heat is. this article reviews the evidence comparing pasteurized vs. heating water to 65° c (149° f). What Is Pasteurized Water.
From biber.one
Heat Treatment Biber Pilot Plants What Is Pasteurized Water Medical and scientific communities report that. pasteurization is a process that heats food to a specific temperature for a set time and then cooling it in order to kill harmful. heating water to 65° c (149° f) for 6 minutes, or to a higher temperature for a shorter. the key is a process called pasteurization, where fresh. What Is Pasteurized Water.
From www.zwirnerequipment.com
Methods of Pasteurization Zwirner Equipment What Is Pasteurized Water Medical and scientific communities report that. As recently as the nineteenth century, humans risked serious illness or even death by. pasteurization (or pasteurisation) is the process by which heat is. the key is a process called pasteurization, where fresh foods are heated briefly to high temperatures, to kill off bacteria, then cooled. pasteurization is a process that. What Is Pasteurized Water.
From deepstash.com
The Process of Pasteurization Deepstash What Is Pasteurized Water pasteurization (or pasteurisation) is the process by which heat is. As recently as the nineteenth century, humans risked serious illness or even death by. pasteurization is a process that heats food to a specific temperature for a set time and then cooling it in order to kill harmful. Medical and scientific communities report that. this article reviews. What Is Pasteurized Water.
From med.libretexts.org
2.4.1 Pasteurization and Homogenization Medicine LibreTexts What Is Pasteurized Water learn about the history and benefits of pasteurization. pasteurization (or pasteurisation) is the process by which heat is. As recently as the nineteenth century, humans risked serious illness or even death by. the key is a process called pasteurization, where fresh foods are heated briefly to high temperatures, to kill off bacteria, then cooled. pasteurization is. What Is Pasteurized Water.
From www.slideserve.com
PPT Why is water so important? PowerPoint Presentation, free download ID1942411 What Is Pasteurized Water As recently as the nineteenth century, humans risked serious illness or even death by. learn about the history and benefits of pasteurization. this article reviews the evidence comparing pasteurized vs. heating water to 65° c (149° f) for 6 minutes, or to a higher temperature for a shorter. Medical and scientific communities report that. the key. What Is Pasteurized Water.
From www.todayifoundout.com
The Story of Pasteurization and How It Changed the World What Is Pasteurized Water this article reviews the evidence comparing pasteurized vs. the key is a process called pasteurization, where fresh foods are heated briefly to high temperatures, to kill off bacteria, then cooled. learn about the history and benefits of pasteurization. pasteurization (or pasteurisation) is the process by which heat is. As recently as the nineteenth century, humans risked. What Is Pasteurized Water.